全站搜索
欢迎光临浙江天元矿用设备有限公司官网
首页
关于天元
公司简介
公司文化
服务承诺
产品中心
智能综合保护器系列
交流真空接触器系列
隔离换相开关系列
隔离开关系列
真空换相开关系列
真空断路器系列
客户案例
隔离换相开关案例
新闻中心
公司新闻
行业资讯
在线留言
联系我们
联系天元
在线留言
中文
隔离换相开关系列
首页
产品中心
隔离换相开关系列
智能综合保护器系列
交流真空接触器系列
隔离换相开关系列
隔离开关系列
真空换相开关系列
真空断路器系列
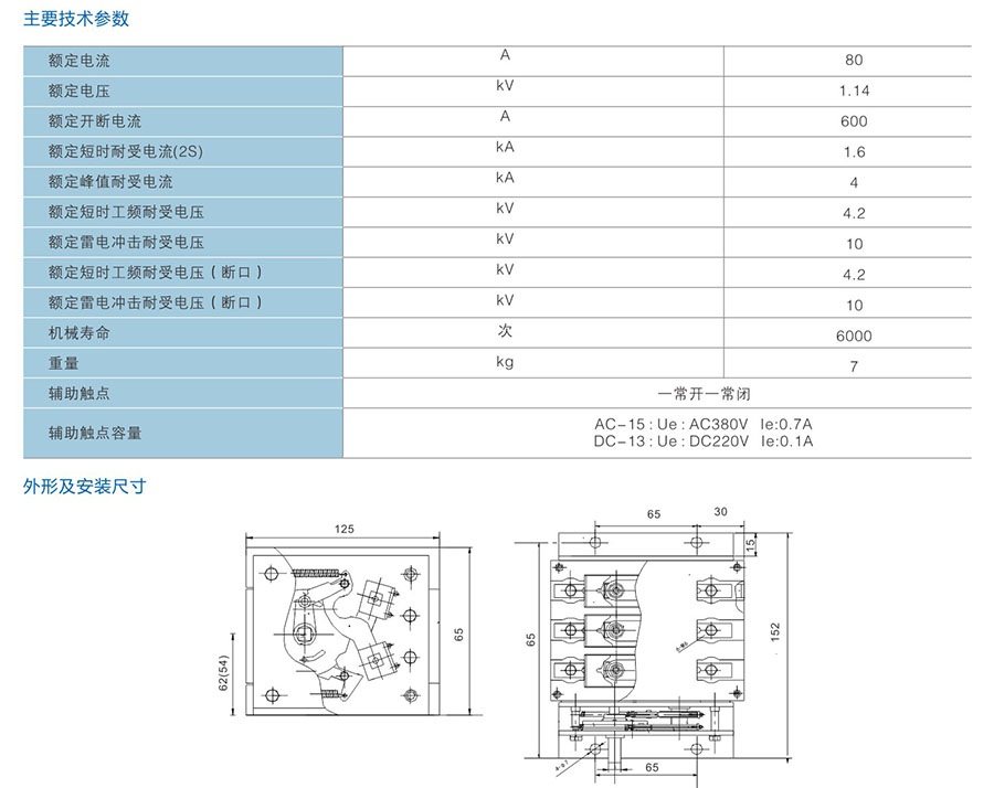
GHK-80A/1.14KV隔离换相开关
发布日期:
2022-10-31 20:03:38
阅读量:
225
产品详情
隔离开关
隔离换相开关
上一篇
HG-315A/1.14KV隔离换相开关
下一篇
GHK-120A隔离换相开关
热门产品
超长质保 专业团队
KGH-400A/1140KV隔离换向开关
HG-315A/1.14KV隔离换相开关
GHK-80A/1.14KV隔离换相开关